This page provides a quick overview of the air purifier's hardware structure, filtration system, and control panel functions, ensuring efficient and safe operation.
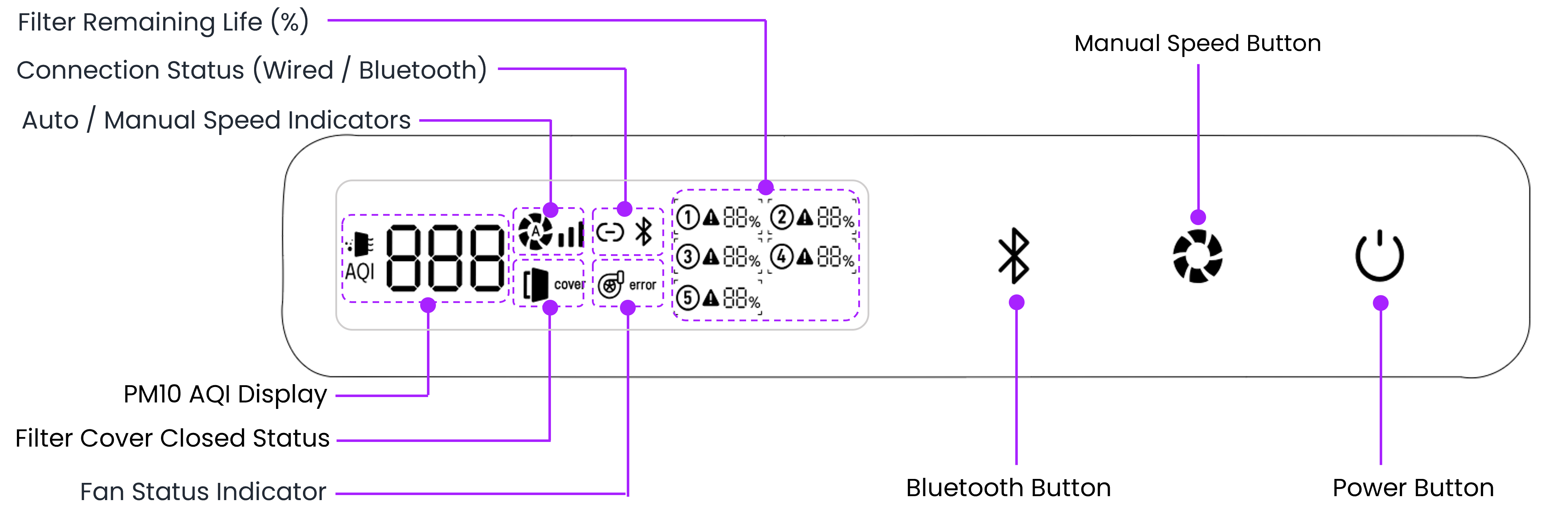
The control panel consists of a status indicator area and physical buttons, allowing direct operation of the air purifier.

Through this panel, you can:
| Indicator | Icon | Indicator Status | Device Status |
|---|---|---|---|
| PM10AQI | ![]() |
Solid | Displays current PM10 AQI value of purified air |
| Auto Mode | ![]() |
Solid | Automatically adjusts fan speed based on processing status |
| Speed 1 | ![]() |
Solid | Fan running at Speed 1 |
| Speed 2 | ![]() |
Solid | Fan running at Speed 2 |
| Speed 3 | ![]() |
Solid | Fan running at Speed 3 |
| Connection Status | ![]() |
Off | Wired connection not established |
| Solid | Connected to device via data cable | ||
| Bluetooth Status | ![]() |
Off | Bluetooth off |
| Blinking | Bluetooth waiting for connection | ||
| Solid | Bluetooth connected | ||
| Cover Status | ![]() |
Off | Purifier cover is closed |
| Solid | Purifier cover is open (Device will not start) | ||
| Fault Indicator | ![]() |
Off | Motor Normal |
| Blinking | Motor stalled or fan error | ||
| Filter Status | ![]() |
Solid | Filter Normal (Displays remaining life, e.g., 98%) |
![]() |
Blinking | Filter needs replacement (Life is 0%) | |
![]() |
Blinking | Filter not detected (Check installation) |
The air purifier adopts a 5-stage filtration structure to treat smoke, dust, and harmful gases generated during laser engraving layer by layer. Each filter layer can be replaced individually.
Layer |
Filter Type | Main Function |
|---|---|---|
| Layer 1 | F8 Pre-Filter | Captures large dust particles, debris, and coarse smoke particles; protects downstream filters and extends overall service life. |
| Layer 2 | H11 High-Efficiency Filter | Removes fine smoke particles, PM2.5, and suspended particulates from laser processing. |
| Layer 3 | Activated Carbon Filter | Uses premium granular activated carbon to effectively adsorb strong odors, VOCs, and harmful gases. |
| Layer 4 | Ultra-Dense Carbon Mesh Filter | Further enhances gas adsorption efficiency and boosts the overall filtration capacity for odors and fumes. |
| Layer 5 | H13 HEPA Filter | The final filtration stage; captures ultrafine particles to ensure the exhaust air is clean and safe. |